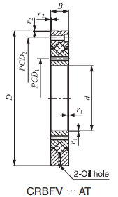
Mounting Holed Type High Rigidity Crossed Roller Bearings
Separator, High Carbon Steel, Open
Pre Load, Counter Bored Mounting Holes In Same Direction
Please contact our sales managers or request a call they are ready to solve any of your questions.
(800) 228-8895 Request a callSpecifications
Get Volume Pricing
Special pricing for OEMs and high volume users.Quick response guaranteed
We aim to send your quote the same business day.
Extensive Inventory
Both online & offline. Don’t see it on the site? Give us a call.
Personalized Service
Your inquiry is assigned to a real person who will tailor make a quote for you.
Daily M-F business hours 8-5pm PST
Customer service in English
41, 690 bearings from stock
Emergency Service available for immediate delivery
In stock in our warehouse in the US
Read our Frequently Asked Questions
Product Added to Cart and Back Orders
Product Added to Back Orders
15 items added to cart, can be ordered and shipped today.
Within 24 hours, our sales team will contact you about the 10 Back Ordered products.
Feel free to contact us for more info - 1-800-228-8895
PIB Sales will contact you within 24 hours regarding your 25 Back Ordered items









Short Rigid Couplings
Controlflex Couplings
Jaw Couplings
Oldham Couplings
Bearing Locknuts – TCN
Double Wide Shaft Collars
Heavy Duty Shaft Collars
International Series Shaft Collars
Keyed Shaft Collars
Mountable Shaft Collars
Quick Clamping Shaft Collars
Set Screw Shaft Collars
Thin Line Shaft Collars
Threaded Shaft Collars – Pacific International Bearing Products
Two-Piece Shaft Collars
Friction Bearing Universal Joints
Needle Bearing Universal Joints